«АльфаСтройМет»
г. Краснодар 8(861)205-79-68 E-mail: zakaz@asmet-yug.ru
г. Краснодар 8(861)205-79-68 Наличный/безналичный расчёт. Выставление счёта RUB ₽
Пн - Чт: c 8.00 - 18.00
Пт: с 08:00 - 17:00
Сб - Вс: выходной
8(861)205-79-68 Показать

zakaz@asmet-yug.ru

Опора освещения ОСД

Характеристики:

Высота (мм)
3000, 4000, 5000, 6000, 7000, 8000, 9000, 10000
Есть вопросы? Задайте их нашему менеджеру!
8(861)205-79-68 Показать
Описание
  • Описание
  • Оплата
  • Доставка

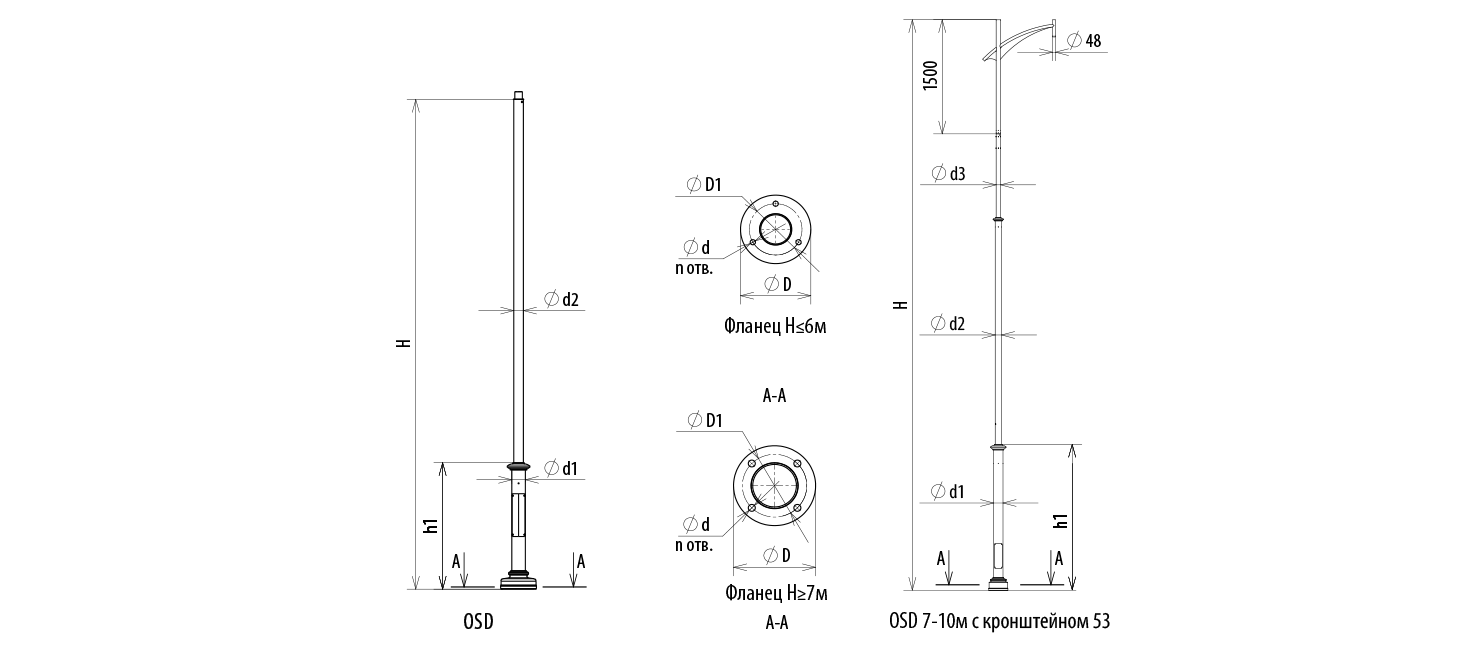
Декоративные фланцевые опоры OSD, выполненные на основе стали и чугунных элементов, применяются для уличного функционального и декоративного освещения. Высокая антивандальность позволяет применять их в местах с очень активным движением людей. 

Рекомендуется использовать с декоративными кронштейнами для установки от 1 до 4 подвесных светильников. 

В нижней части опоры имеется лючок, размеры которого обеспечивают монтаж и эксплуатацию коммутирующего устройства, находящегося в монтажном отсеке. Монтажный лючок накладной. 

Ствол опор OSD состоит из двух или трех отрезков стальных труб различного диаметра, в зависимости от высоты, и представляет собой ступенчатую конструкцию. Переходы труб закрываются декоративным чугунным элементом. 

Крепежный комплект - нержавеющий, либо из оцинкованной стали. 

В стандартном исполнении стальные элементы опоры защищены методом горячего цинкования, чугунные элементы опоры защищены полимерным цинк-фосфатным грунтом. 

Дополнительно возможна порошковая окраска в любой цвет по палитре RAL. Возможно патинирование отдельных элементов. 

 

Обозначение

Диаметры труб d1/d2/d3, мм Высота опоры H, м Посадочный размер опорного фланца D1, мм Количество отверстий n, шт Диаметр отверстий d, мм Крепежный комплект Рекомендуемая закладная

OSD 3,0(d180-3М16+d108-d76)

108/76 3,0 Ø180

 

3 18 КК1-ОПТ3-М16  ОПТ3-d180-М16-1,5(108)-Э
ОПТ3-d180-М16-1,0(108)-Э

OSD 3,0(d180-3М16+d108-d76) под КРВ

108/76 3,0 Ø180 3 18 КК1-ОПТ3-М16  ОПТ3-d180-М16-1,5(108)-Э
ОПТ3-d180-М16-1,0(108)-Э

OSD 4,0(d180-3М16+d108-d76)

108/76 4,0 Ø180 3 18 КК1-ОПТ3-М16  ОПТ3-d180-М16-1,5(108)-Э
ОПТ3-d180-М16-1,0(108)-Э

OSD 4,0(d180-3М16+d108-d76) под КРВ

108/76 4,0 Ø180 3 18 КК1-ОПТ3-М16  ОПТ3-d180-М16-1,5(108)-Э
ОПТ3-d180-М16-1,0(108)-Э

OSD 5,0(d180-3М20+d108-d76)

108/76 5,0 Ø180 3 22 КК1-ОПТ3-М20 ОПТ3-d180-М20-1,5(108)-Э

OSD 5,0(d180-3М20+d108-d76) под КРВ

108/76 5,0 Ø180 3 22 КК1-ОПТ3-М20 ОПТ3-d180-М20-1,5(108)-Э

OSD 6,0(d180-3М20+d108-d76)

108/76 6,0 Ø180 3 22 КК1-ОПТ3-М20 ОПТ3-d180-М20-1,5(108)-Э

OSD 6,0(d180-3М20+d108-d76) под КРВ

108/76 6,0 Ø180 3 22 КК1-ОПТ3-М20 ОПТ3-d180-М20-1,5(108)-Э

OSD 7,0(d220-4М20+d159-d108-d76)-КРВ1(L1500)-53(d48вст)

159/108/76 7,0 Ø220 4 24 КК1-ОПТ4-М20 ОПТ4-d220-М20-1,5(159)-Э
ОПТ4-d220-М20-2,0(159)-Э

OSD 7,0(d220-4М20+d159-d108-d76-d76вст)-2-32(d48вст)

159/108/76 7,0 Ø220 4 24 КК1-ОПТ4-М20 ОПТ4-d220-М20-1,5(159)-Э
ОПТ4-d220-М20-2,0(159)-Э

OSD 8,0(d220-4М20+d159-d108-d76)-КРВ1(L1500)-53(d48вст)

159/108/76 8,0 Ø220 4 24 КК1-ОПТ4-М20 ОПТ4-d220-М20-1,5(159)-Э
ОПТ4-d220-М20-2,0(159)-Э

OSD 8,0(d220-4М20+d159-d108-d76-d76вст)-2-32(d48вст)

159/108/76 8,0 Ø220 4 24 КК1-ОПТ4-М20 ОПТ4-d220-М20-1,5(159)-Э
ОПТ4-d220-М20-2,0(159)-Э

OSD 9,0(d220-4М20+d159-d108-d76)-КРВ1(L1500)-53(d48вст)

159/108/76 9,0 Ø220 4 24 КК1-ОПТ4-М20 ОПТ4-d220-М20-1,5(159)-Э
ОПТ4-d220-М20-2,0(159)-Э

OSD 9,0(d220-4М20+d159-d108-d76-d76вст)-2-32(d48вст)

159/108/76 9,0 Ø220 4 24 КК1-ОПТ4-М20 ОПТ4-d220-М20-1,5(159)-Э
ОПТ4-d220-М20-2,0(159)-Э

OSD 10,0(d220-4М20+d159-d108-d76)-КРВ1(L1500)-53(d48вст)

159/108/76 10,0 Ø220 4 24 КК1-ОПТ4-М20 ОПТ4-d220-М20-1,5(159)-Э
ОПТ4-d220-М20-2,0(159)-Э

OSD 10,0(d220-4М20+d159-d108-d76-d76вст)-2-32(d48вст)

159/108/76 10,0 Ø220 4 24 КК1-ОПТ4-М20 ОПТ4-d220-М20-1,5(159)-Э
ОПТ4-d220-М20-2,0(159)-Э

 

Оплата возможна как наличным, так и безналичным расчетом (являемся плательщиками НДС). Связавшись с нашими менеджерами, вы сможете уточнить стоимость и сроки доставки материала на ваш объект. Расчеты будут произведены с учетом удаленности вашего объекта от нашей металлобазы и объема заказываемой продукции.

Электронная почта zakaz@asmet-yug.ru и телефон 8(861)205-79-68 для консультации в нашими специалистами., а так же можно заказать обратный звонок и наш менеджер свяжется с вами в течение 10 минут.

Наш специалист предложит подходящий транспорт и грамотно составит маршрут. Материал поставляется с полным пакетом разрешительных и сопроводительных документов.

Уважаемые покупатели, компания АльфаСтройМет  занимается только поставкой металлопроката , у нас нет собственного производства металлоконструкций.

Современное оборудование на складах и разнообразные виды транспорта для перевозок. Доставка осуществляется напрямую со складов нашей компании в Ваш город в день заказа, либо в соответствии с оговоренными с менеджерами отдела продаж и отдела доставки условиями.

Для того, чтобы получить выбранный товар в день заказа, Вам достаточно позвонить 8(861)205-79-68 в нашу компанию до 17:00, либо до этого времени оставить заявку через форму связи на сайте.

Также возможен самовывоз продукции. Оригиналы документов можно забрать из головного офиса, который находится в Краснодаре.

Заказчикам из регионов поставляем материал с помощью транспортных компаний:

  • Деловые линии,
  • ПЭК,
  • КИТ,
  • ЭНЕРГИЯ,
  • Байкал Сервис.

До транспортной компании транспортируем материал БЕСПЛАТНО. Если клиент не указывает своих предпочтений, то его заказ будет доставлен «Деловыми Линиями».  

Приятный бонус для наших оптовых клиентов, находящихся в регионах - при доставке партии товара на сумму от 200 000 руб. - поставка осуществляется совершенно бесплатно!

Гарантия высокого качества
Выбор надежных производителей, входной контроль качества металла
Полная комплектация
Сформируем ваш заказ, даже если некоторых позиций нет в нашем официальном прайс-листе
Быстрая и качественная металлообработка
Возможность расчета он-лайн, исполнение заказа день в день
Мы всегда рядом
Опытные специалисты с многолетним стажем в продажах
Современная логистика
Своевременно. Аккуратно. Сохранно. Технологично. Надежно
Индивидуальный подход к клиенту
Ориентируемся на потребности клиентов, развиваясь вместе с ними
Личный менеджер
Единый центр ответственности для клиента
Скидки
Гибкая система скидок постоянным заказчикам
Похожие товары
Просмотренные товары (4)
Способы связи:
Адрес:
г. Краснодар ул. Сормовская, д. 197/1

Телефон:
8(861)205-79-68


Режим работы:
Пн - Чт: c 8.00 - 18.00
Пт: с 08:00 - 17:00
Сб - Вс: выходной

Заказать звонок

Если у вас возникли вопросы или предложения, мы будем рады их рассмотреть. Для этого заполните форму ниже.